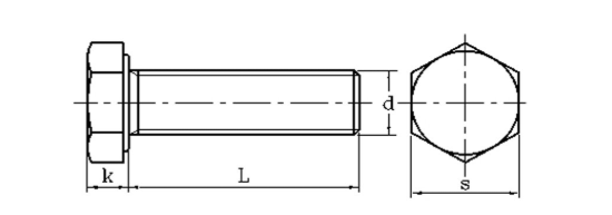
Hex Bolts (ANSI/ASME B 18.2.1-2012): This part of the chart provides technical drawings and a table with dimensional data for hex bolts
Ananka Group is a leading Hex Bolts Manufacturer in India. We, Ananka Group offer Hex Bolts in different sizes & standards. Hex Bolts are also available in different materials and grades. Hex bolts are commonly used for construction projects such as docks, bridges, highway systems, and homes, among other things. Headed anchor bolts are usually made of hex bolts with forged heads
Hex Bolts – Dimensional Chart (ANSI/ASME B 18.2.1-2012)
This chart presents the key dimensional data for hex bolts as specified by the ANSI/ASME B 18.2.1-2012 standard. Adhering to these specifications ensures consistent interchangeability and reliable performance across various applications.


All dimensions are in inches.
| Nominal Diameter | d (Body Diameter) | s (Width Across Flats) | k (Head Height) | L (Thread Length) | ||||
|---|---|---|---|---|---|---|---|---|
| max | min | max | min | max | min | L ≤ 6 | L > 6 | |
| 1/4 | 0.260 | 0.237 | 0.438 | 0.425 | 0.188 | 0.150 | 0.750 | 1.000 |
| 5/16 | 0.324 | 0.298 | 0.500 | 0.484 | 0.235 | 0.195 | 0.875 | 1.125 |
| 3/8 | 0.388 | 0.360 | 0.562 | 0.544 | 0.268 | 0.226 | 1.000 | 1.250 |
| 7/16 | 0.452 | 0.421 | 0.625 | 0.603 | 0.316 | 0.272 | 1.125 | 1.375 |
| 1/2 | 0.515 | 0.482 | 0.750 | 0.725 | 0.364 | 0.302 | 1.250 | 1.500 |
| 5/8 | 0.642 | 0.605 | 0.938 | 0.905 | 0.444 | 0.378 | 1.500 | 1.750 |
| 3/4 | 0.768 | 0.729 | 1.125 | 1.088 | 0.524 | 0.455 | 1.750 | 2.000 |
| 7/8 | 0.895 | 0.852 | 1.312 | 1.269 | 0.604 | 0.531 | 2.000 | 2.250 |
| 1 | 1.022 | 0.976 | 1.500 | 1.450 | 0.700 | 0.591 | 2.250 | 2.500 |
| 1-1/8 | 1.149 | 1.098 | 1.688 | 1.631 | 0.780 | 0.658 | 2.500 | 2.750 |
| 1-1/4 | 1.277 | 1.223 | 1.875 | 1.812 | 0.876 | 0.749 | 2.750 | 3.000 |
| 1-3/8 | 1.404 | 1.345 | 2.062 | 1.994 | 0.940 | 0.810 | 3.000 | 3.250 |
| 1-1/2 | 1.531 | 1.470 | 2.250 | 2.175 | 1.036 | 0.902 | 3.250 | 3.500 |
| 1-5/8 | 1.658 | 1.591 | 2.438 | 2.356 | 1.116 | 0.978 | 3.500 | 3.750 |
| 1-3/4 | 1.785 | 1.716 | 2.625 | 2.538 | 1.196 | 1.054 | 3.750 | 4.000 |
| 1-7/8 | 1.912 | 1.839 | 2.812 | 2.719 | 1.276 | 1.130 | 4.000 | 4.250 |
| 2 | 2.039 | 1.964 | 3.000 | 2.900 | 1.388 | 1.175 | 4.250 | 4.500 |
| 2-1/4 | 2.305 | 2.214 | 3.375 | 3.262 | 1.548 | 1.327 | 4.750 | 5.000 |
| 2-1/2 | 2.559 | 2.461 | 3.750 | 3.625 | 1.708 | 1.479 | 5.250 | 5.500 |
| 2-3/4 | 2.827 | 2.711 | 4.125 | 3.988 | 1.869 | 1.632 | 5.750 | 6.000 |
| 3 | 3.081 | 2.961 | 4.500 | 4.350 | 2.060 | 1.815 | 6.250 | 6.500 |
| 3-1/4 | 3.335 | 3.210 | 4.875 | 4.712 | 2.251 | 1.936 | 6.750 | 7.000 |
| 3-1/2 | 3.589 | 3.461 | 5.250 | 5.075 | 2.380 | 2.057 | 7.250 | 7.500 |
| 3-3/4 | 3.858 | 3.726 | 5.625 | 5.437 | 2.572 | 2.241 | 7.750 | 8.000 |
| 4 | 4.111 | 3.975 | 6.000 | 5.800 | 2.764 | 2.424 | 8.250 | 8.500 |
**Note: This table provides general dimensional guidelines based on the ANSI/ASME B 18.2.1-2012 standard. Always refer to the official standard document for complete and definitive specifications, including tolerances and specific applications.
Get In Touch
About us
We are expert in manufacturing of customized fasteners. In the past 10 years we have helped 240+ customers across 40 countries to generate a revenue of 30,000 crores by delivering more than 30,000 SKU units.
We also manufacture, supply, export our wide range of Nuts, Bolts, Screws, Rods, Washers, Inconel Fasteners, Monel Fasteners, Hastelloy Fasteners, Nickel Fasteners, Carbon Steel Fasteners, Stainless Steel Fasteners, Inconel Fasteners from Mumbai to different parts of countries and continents. With the help of highly trained staff and the latest manufacturing equipment, we manufacture the best quality fasteners. Our high-quality fasteners are used in industries worldwide.
